Acest magazin este destinat doar persoanelor juridice.

Railing Design Conector superior perete/tija copertina

Railing Design
Produs:
Cod Produs: 66.8032.080.12 Ai nevoie de ajutor? 0743.023.660
  • Descriere
  • Caracteristici
  • Download (1)
  • Review-uri (0)
Seturile de copertine Railing Design garateaza siguranta si eleganta sistemului. Produsele sunt realizate din materiale de calitate, rezistand conditiilor meteorologice. 
Informatii conformitate produs

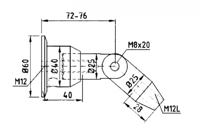
Detalii tehnice:

Brand:  Railing Design
Produs:  Conector superior
Finisaj:  Inox satinat 304
 Inox satinat 316
Diametru prindere perete:  Ø60 mm
Diametru baza:  Ø40 mm
Diametru conector:  Ø25 mm
Lungime max:  2000 mm cu 2 puncte de suspensie
 3300 mm cu 3 puncte de suspensie
Adancime max:  1500 mm

  • Fisa tehnica conector superior perete/tija copertina

    Descarca
Daca doresti sa iti exprimi parerea despre acest produs poti adauga un review.

Review-ul a fost trimis cu succes.

Compara produse

Trebuie sa mai adaugi cel putin un produs pentru a compara produse.

A fost adaugat la favorite!

A fost sters din favorite!