Acest magazin este destinat doar persoanelor juridice.

Q-railing GmbH Profil U balustrada Easy Glass® Smart fixare laterala

Q-railing GmbH
Produs:
Cod Produs: 16.6931.500.18 Ai nevoie de ajutor? 0743.023.660
  • Descriere
  • Caracteristici
  • Download (1)
  • Review-uri (0)
Easy Glass® Smart reprezinta o revolutie a balustradelor de sticla.

Cu o serie de caracteristici inovatoare, acest sistem permite instalarea sau eliminarea intr-un mod rapid, intuitiv, si controlat. Diblurile sunt de domeniul trecutului, deoarece sistemul va ofera o gama diversa de metode de fixare a profilului de baza. Instalandu-l, acest profil de baza permite setarea inregistrazii vitezei de montare a sticlei.

Sistemul Q-disc furnizeaza cel mai rapid mod de a securiza panourile de sticla dintr-o balustrade de sticla. Combinatia dintre un insert special si discul Q introdus in profilul de baza tine in siguranta fiecare panou de sticla individual. Acest mecanism de prindere este pe deplin unic pe piata!
 
Informatii conformitate produs

Detalii tehnice:

Brand:  Q-Railing
Gama:  Easy Glass® Smart
Produs:  Profil U
Finisaj:  Aluminiu eloxat (EV1)
 Aluminiu natur
Grosime sticla:  12-21,52 mm
Inaltime sticla max:  1200 mm
Lungime:  5000 mm
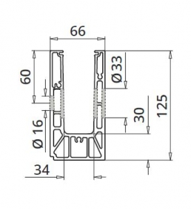
Latime:  66 mm
Latime interior:  34 mm
Inaltime:  125 mm
Grosime baza:  30 mm
Incarcare dinamica profil:  3,0 kN/m
Montaj in interior sau exterior
Utilizare cu sau fara mana curenta

  • Fisa tehnica profil U balustrada Easy Glass® Smart fixare laterala

    Descarca
Daca doresti sa iti exprimi parerea despre acest produs poti adauga un review.

Review-ul a fost trimis cu succes.

Compara produse

Trebuie sa mai adaugi cel putin un produs pentru a compara produse.

A fost adaugat la favorite!

A fost sters din favorite!