Acest magazin este destinat doar persoanelor juridice.

Colcom Balama hidraulica cabina dus perete/sticla Bilobina

Colcom
Cod Produs: 815E10N Ai nevoie de ajutor? 0743.023.660
  • Descriere
  • Caracteristici
  • Download (1)
  • Review-uri (0)
Bilobina este noua balama hidraulica Colcom pentru cabine de dus. Reprezinta rezultatul experientei consolidate in mecanismele hidraulice si este acoperit de brevetul international, trecand cele mai severe teste de coroziune AASS.

Are un nucleu hidraulica independent si detasabil. Aceasta caracteristica permite schimbarea completa a pistonului intern pe diferite tipuri de balamale personalizate in functie de forma.

Materialele si tehnologiile de constructive garanteaza un numar mare de cicluri, confirmand calitatea si fiabilitatea produselor Colcom.

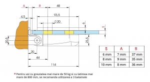
Bilobine poate sustine usile cu o latime maxima de 900 mm si o incarcare dinamica maxima de 50 kg, grosimea sticlei fiind de 6-8-10 mm.
 
Informatii conformitate produs

Detalii tehnice:

Brand:  Colcom
Gama:  Bilobina
Produs:  Balama hidraulica
Finisaj:  Crom lucios
Grosime sticla:  6-10 mm
Latime usa max:  900 mm
Blocare:   0-90°
Lungime:  114 mm
Latime:  54 mm
Incarcare dinamica max:  50 kg

  • Fisa tehnica balama hidraulica cabina dus perete/sticla Bilobina

    Descarca
Daca doresti sa iti exprimi parerea despre acest produs poti adauga un review.

Review-ul a fost trimis cu succes.

Compara produse

Trebuie sa mai adaugi cel putin un produs pentru a compara produse.

A fost adaugat la favorite!

A fost sters din favorite!