Acest magazin este destinat doar persoanelor juridice.

Railing Design Conector 90° bara stabilizare cabina dus teava/sticla

Railing Design
Cod Produs: SRC-33 CP Ai nevoie de ajutor? 0743.023.660
  • Descriere
  • Caracteristici
  • Download (1)
  • Review-uri (0)
Cu un design innovator si priza mare pentru a largi suprafata de contact cu sticla, accesoriile pentru usi pe toc de la Railing Design ofera:
- conditii de siguranta pentru utilizare;
- compatibilitate cu sticla laminate sau monolitica de 8-12 mm;
- permit ca centrul axului sa fie in concordanta cu centrul sticlei;
- compatibilitate cu o larga varietate de amortizoare de pardoseala.
- realizate in conformitate cu standardul european
 
Informatii conformitate produs

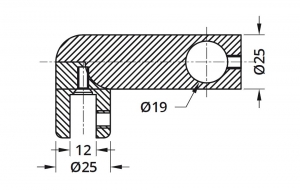
Detalii tehnice:

Brand:  Railing Design
Produs:  Conector
Finisaj:  Crom lucios
Diametru:  Ø25 mm
Grosime sticla:  6-10 mm

  • Fisa tehnica conector 90° bara stabilizare cabina dus teava/sticla

    Descarca
Daca doresti sa iti exprimi parerea despre acest produs poti adauga un review.

Review-ul a fost trimis cu succes.

Compara produse

Trebuie sa mai adaugi cel putin un produs pentru a compara produse.

A fost adaugat la favorite!

A fost sters din favorite!