Acest magazin este destinat doar persoanelor juridice.

Colcom Balama hidraulica Biloba EVO SOL Frame fara blocare fixare pe toc aluminiu

Colcom
Produs:
Cod Produs: 835E10SOLR02 Ai nevoie de ajutor? 0743.023.660
  • Descriere
  • Caracteristici
  • Download (1)
  • Review-uri (0)

Prin conceptul brevetat, balamalele hidraulice Colcom fac inchiderea usii constanta si controlata. Ele reprezinta atat evolutia, cat si sinteza balamalelor “automate-mecanice’’ si a dispozitivelor traditionale hidraulice de inchidere a usilor, deja existente pe piata.

 

Au fost proiectate pentru a fi utilizate pe usi interioare si exterioare, cat si pentru cabine de dus, si sunt caracterizate prin functionalitate, versatilitate, sigurata, si durabilitate, totul datorita cerintelor de performanta care depasesc inchiderile traditionale ale usilor.

 

Dimensiunile reduse ale mecanismelor confera produselor un design curat si elegant, imbinat cu o instalare usoara. Particularitatile conceptului hidraulic Colcom sunt de cea mai inalta eficienta, cu o inalta calitate tehnica si siguranta de balansare.

 

O atentie deosebite ii este acorda si esteticii care, in functie de tendintele arhitecturala actuale, necesita un aspect mai curat pe sticla.

 

Balamale hidraulice Colcom defininesc o inovatie importanta in domeniul echipamentelor din sticla, deoarece sunt acoperite de brevetul international si sunt testate in mod deosebit pentru a asigura performanta si durabilitatea.

Informatii conformitate produs

Detalii tehnice:

Brand:  Colcom
Gama:  Biloba EVO SOL Frame
Finisaj:  Aluminiu eloxat (EV1)
Blocare:  Nu
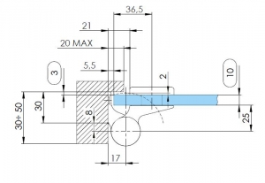
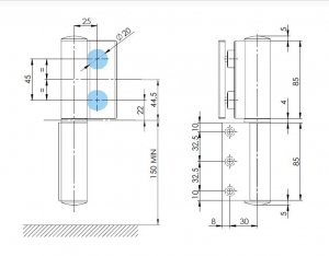
Grosime sticla:  8-21,52 mm
Latime maxima usa:  800-1000 mm
Inaltime:  174 mm
Diametru:   Ø28 mm
Incarcare dinamica max:  120 kg

  • Fisa tehnica balama hidraulica Biloba EVO SOL Frame fixare pe toc aluminiu

    Descarca
Daca doresti sa iti exprimi parerea despre acest produs poti adauga un review.

Review-ul a fost trimis cu succes.

Compara produse

Trebuie sa mai adaugi cel putin un produs pentru a compara produse.

A fost adaugat la favorite!

A fost sters din favorite!