Acest magazin este destinat doar persoanelor juridice.

Colcom Balama hidraulica Biloba cu amortizare incorporata perete/sticla

Colcom
Produs:
Cod Produs: 8010002 Ai nevoie de ajutor? 0743.023.660
  • Descriere
  • Caracteristici
  • Download (1)
  • Review-uri (0)

Prin conceptul brevetat, balamalele hidraulice Colcom fac inchiderea usii constanta si controlata. Ele reprezinta atat evolutia, cat si sinteza balamalelor “automate-mecanice’’ si a dispozitivelor traditionale hidraulice de inchidere a usilor, deja existente pe piata.

 

Au fost proiectate pentru a fi utilizate pe usi interioare si exterioare, cat si pentru cabine de dus, si sunt caracterizate prin functionalitate, versatilitate, sigurata, si durabilitate, totul datorita cerintelor de performanta care depasesc inchiderile traditionale ale usilor.

 

Dimensiunile reduse ale mecanismelor confera produselor un design curat si elegant, imbinat cu o instalare usoara. Particularitatile conceptului hidraulic Colcom sunt de cea mai inalta eficienta, cu o inalta calitate tehnica si siguranta de balansare.

 

O atentie deosebite ii este acorda si esteticii care, in functie de tendintele arhitecturala actuale, necesita un aspect mai curat pe sticla.

 

Balamale hidraulice Colcom defininesc o inovatie importanta in domeniul echipamentelor din sticla, deoarece sunt acoperite de brevetul international si sunt testate in mod deosebit pentru a asigura performanta si durabilitatea.

Informatii conformitate produs

Detalii tehnice:

Brand:  Colcom
Gama:  Biloba
Finisaj:  Aluminiu eloxat (EV1)
 Auriu lucios
 Crom lucios
 Inox satinat
 Negru
Blocare:  90°
Grosime sticla:  8-13,52 mm
Latime maxima usa:  1000 mm
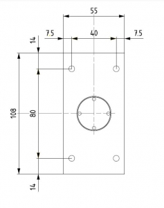
Dimensiune talpa  
Inaltime:  108 mm
Latime:  55 mm
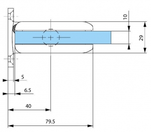
Grosime:  5 mm
Dimensiune balama  
Inaltime:  108 mm
Latime:  73 mm
Grosime:  29 mm
Incarcare dinamica max:  100 kg

  • Fisa tehnica balama hidraulica Biloba cu amortizarte incorporata perete/sticla

    Descarca
Daca doresti sa iti exprimi parerea despre acest produs poti adauga un review.

Review-ul a fost trimis cu succes.

Compara produse

Trebuie sa mai adaugi cel putin un produs pentru a compara produse.

A fost adaugat la favorite!

A fost sters din favorite!