Acest magazin este destinat doar persoanelor juridice.

Railing Design Prindere punctuala fixa cu gat Ø42x36 mm, tija M12

Railing Design
Cod Produs: 57.5010.036.12 Ai nevoie de ajutor? 0743.023.660
  • Descriere
  • Caracteristici
  • Download (1)
  • Review-uri (0)
Prinderile punctuale din inox sunt produse personalizat, cu distanțieri adaptați specificității șantierului. Piesele de prindere pot fi complet inserate în balustrade, prin realizarea șanfrenului în sticla exterioară.

Prindere punctuala cu gat
Diametru gaura sticla = Diametru gat prindere punctuala + 2÷4 mm pe raza
Exemplu - Diametru gat prindere punctuala Ø20 mm
Gsticla = 20 + 2x(2÷4 mm) => Diametrul de gaurire sticla 24÷28 mm
 
Informatii conformitate produs

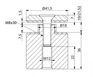
Detalii tehnice:

Brand:  Railing Design
Produs:  Prindere punctuala fixa cu gat
Finisaj:  Inox satinat 304 Italia
Grosime sticla:  10-21,52 mm
Diametru:  Ø42 mm
Inaltime:  36 mm
Fixare:  Tija M12
Capac cu imbus
La cerere inox lucios
La cerere se pot executa diverse dimensiuni

  • Fisa tehnica prindere punctuala fixa cu gat Ø42x36 mm, tija M12

    Descarca
Daca doresti sa iti exprimi parerea despre acest produs poti adauga un review.

Review-ul a fost trimis cu succes.

Compara produse

Trebuie sa mai adaugi cel putin un produs pentru a compara produse.

A fost adaugat la favorite!

A fost sters din favorite!