Acest magazin este destinat doar persoanelor juridice.

Dormakaba Set glisanta Dorma, Muto Comfort M60

Dormakaba
Produs:
Cod Produs: 83667015.099 Ai nevoie de ajutor? 0743.023.660
  • Descriere
  • Caracteristici
  • Download (1)
  • Review-uri (0)
Sistem de usi glisante manuale multifunctionale
Conceput pentru a fi utilizat cu sticla si lemn, sistemul Muto Comfort beneficiaza de o inchidere automata si integrate, mecanism elegant care ramane complet invizibil si care dispune de o multitudine de optiuni usor de utilizat pentru a crea solutii personalizate.
Instalarea usilor manual glisante este rapida si usoara, iar toate functiile relevante por fi ajustate din fata, chiar si dupa montare.
Este potrivit pentru instalatiile pe sticla, perete, si tavan.

Comoditate impresionanta
Eleganta compacta si functiile optionale foarte variate ofera o imbunatatire sporita a utilizatorilor sistemului manual de usa glisanta:
· Usa se inchide automata datorita actiunii de auto-inchidere fara alimentare
· Panoul de usa este usor preluat in pozitia finala prin Dormotion
· Blocare usoare cu ajutorul telecomenzii sau de la un intrerupator de perete
· Se conecteaza cu un sistem de management al facilitatilor prin intermediul indicatorului de stare
· Trece printr-o usa dubla prin deplasarea doar unuia dintre panouri, datorita functiei de sincron
 
Informatii conformitate produs

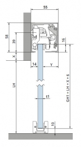
Detalii tehnice:

Brand:  Dormakaba
Produs:  M60
Gama:  Muto Comfort
Finisaj:  Aluminiu eloxat (EV1)               
Latime usa max:                               600-1300 mm
Grosime sticla:  8-12 mm
Lungime:  1900 mm
Incarcare dinamica max:  60 kg
* Latime usa cu Dormotion:  min. 600 mm

  • Fisa tehnica set glisanta Muto Comfort M60

    Descarca
Daca doresti sa iti exprimi parerea despre acest produs poti adauga un review.

Review-ul a fost trimis cu succes.

Compara produse

Trebuie sa mai adaugi cel putin un produs pentru a compara produse.

A fost adaugat la favorite!

A fost sters din favorite!